電接點壓力表
- YXC電接點壓力表適用于測量對銅及銅合金無腐蝕、無爆炸危險、非結晶的各種液體、氣體等介質的壓力。儀表經與相應電氣件(繼電器或接觸器)配套使用,可達到對被測壓力系統實現
- 咨詢熱線:
-
產品詳情
YXC電接點壓力表適用于測量對銅及銅合金無腐蝕、無爆炸危險、非結晶的各種液體、氣體等介質的壓力。儀表經與相應電氣件(繼電器或接觸器)配套使用,可達到對被測壓力系統實現預先設定的zui大或zui小壓力值的雙位自動控制和輸出信號(報警)的目的。
磁助電接點壓力表儀表具有測量控制功能,可任意設定上、下控制壓力值,動作穩定可靠,在石油、化工、電站、冶金等工業企業及機電設備上廣泛配套使用。
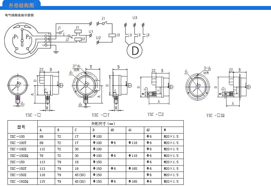
結構原理:
儀表由測量系統、指示裝置、(普通型)磁助電接點裝置、外殼、調節裝置及接線盒等組成。當被測壓力作用于彈簧管時,其末端產生相應的彈性變形—位移,經傳動機構放大后,由指示裝置在度盤上指示出來。同時指針帶動電接點裝置的活動觸點與設定指針上的觸頭(上限或下限)相接觸的瞬時,致使控制系統接通或斷開電路,以達到自動控制和發信報警的目的。
磁助電接點裝置的電接觸信號針上,裝有可調節的磁鋼,可以增加接點吸力,加快接觸動作,從而使觸點接觸可靠,消除電弧,能有效地避免儀表由于工作環境振動或介質壓力脈動造成觸點的頻繁關斷。
所以該儀表具有動作可靠、使用壽命長、觸點開關功率較大等優點。為能適應被測對象的各異和需求,本系列儀表在原有普通型和專用型的基礎上,又相繼抗振型、耐蝕型、耐用蝕抗振型以及帶有隔離裝置等多種型號的產品(包含氨用、氧氣、耐溫、耐震等不同系列)。
技術參數:
電接點壓力表選型表:
磁助電接點壓力表儀表具有測量控制功能,可任意設定上、下控制壓力值,動作穩定可靠,在石油、化工、電站、冶金等工業企業及機電設備上廣泛配套使用。
結構原理:
儀表由測量系統、指示裝置、(普通型)磁助電接點裝置、外殼、調節裝置及接線盒等組成。當被測壓力作用于彈簧管時,其末端產生相應的彈性變形—位移,經傳動機構放大后,由指示裝置在度盤上指示出來。同時指針帶動電接點裝置的活動觸點與設定指針上的觸頭(上限或下限)相接觸的瞬時,致使控制系統接通或斷開電路,以達到自動控制和發信報警的目的。
磁助電接點裝置的電接觸信號針上,裝有可調節的磁鋼,可以增加接點吸力,加快接觸動作,從而使觸點接觸可靠,消除電弧,能有效地避免儀表由于工作環境振動或介質壓力脈動造成觸點的頻繁關斷。
所以該儀表具有動作可靠、使用壽命長、觸點開關功率較大等優點。為能適應被測對象的各異和需求,本系列儀表在原有普通型和專用型的基礎上,又相繼抗振型、耐蝕型、耐用蝕抗振型以及帶有隔離裝置等多種型號的產品(包含氨用、氧氣、耐溫、耐震等不同系列)。
技術參數:
| 產品名稱 | 產品型號 | 連接螺紋 | 精 度 | 測量范圍(MPa) |
| 電接點壓力表 | YX-60 | M14×1.5 | 2.5 | 0~0.6~2.5~40 |
| YX-100 | M20×1.5 | 1.6 | ||
| YX-150 | ||||
| 不銹鋼電接點壓力表 | YX-60B | |||
| YX-100B | ||||
| YX-150B | ||||
| 磁柱電接點壓力表 | YXC-100 | |||
| YXC-150 | ||||
| 氧氣電接點壓力表 | YOX-100 | |||
| YOX-150 | ||||
| 氨用電接點壓力表 | YAX-100 | |||
| YAX-150 | ||||
| 耐溫電接點壓力表 | YTWX-100 | |||
| YTWX-150 | ||||
| 耐震電接點壓力表 | YTNX-100 | |||
| YTNX-150 | ||||
| 防爆電接點壓力表 | YX-160-B | |||
| zui高工作電壓 | DC220V或AC380V | |||
| 控制方式 | 上下限 | |||
| 執行標準 | JB/T9273-1999,JB/T6804-2006 | |||
| 備 注 | 如其它連接方式等特殊規格訂貨時請文字標明; | |||
電接點壓力表選型表:
| YX | 電接點壓力表 |
| C | 接點裝置接點形式:磁助作用 |
| N | 耐震 |
| 代 碼 | 表盤直徑 |
|
60 100 150 |
ф60 ф100 ф150 |
| 代 碼 | 儀表材質 |
|
無 B |
一般材質 材質不銹鋼 |
| 代 碼 | 儀表形式(可復選) |
|
Z T Q |
軸向(徑向無需標注) 帶邊(不帶邊無需標注) 前邊(后邊無需標注) |
| 量程:0~□□□MPa(KPa) | |
標簽:






